芯城品牌采购网 > 品牌资讯 > 技术方案 > 光耦合器输入驱动电路的LED电流分流技术
芯城品牌采购网
28989
本文档重点介绍光耦合器,包括其基本原理,操作和常见应用。为了最大程度地提高设备效率,建议使用一些技术。还讨论了将LED用作输入的情况以及用于所述拓扑的相应处理技术。
光耦合器是光源和光敏检测器的组合。在光耦合器或光子耦合对中,耦合是通过在透明绝缘间隙的一侧生成光,并在间隙的另一侧检测到光而实现的,而两侧之间没有电连接(少量的光耦合器除外)耦合电容)。在飞兆半导体的光耦合器中,光是由红外发光二极管产生的,光电检测器是硅二极管,用于驱动放大器(例如晶体管)。硅材料的灵敏度在LED发射的波长处达到峰值,从而实现最大的信号耦合。

如果光耦合器的输入是LED,则输入特性将相同,而与所采用的检测器类型无关。LED二极管的特性如图1所示。正向偏置电流阈值显示为约1伏,电流呈指数增长,在1.2至1.3的VF时,IF的可用范围在1 mA至100 mA之间。伏特正向偏置阻抗的动态值取决于电流,并在插入图上显示了RDF和∆R,如图中所定义。在雪崩击穿之前,反向泄漏在纳安范围内。

LED等效电路以及组件的典型值如图2所示。如果需要用于计算机建模,则提供二极管方程式,并为IR LED给出方程式的常数。请注意,结电容很大,并且会随着施加的正向电压而增加。该电容随施加电压的变化的实际曲线如图3所示。正是由驱动器阻抗控制的大电容影响了LED的脉冲响应。在结电流产生光之前,必须对电容充电。在快速脉冲条件下,这种效应会导致外加电流与光发射之间固有的10-20纳秒或更长时间的延迟。

LED用于正向偏置模式。由于电流在阈值以上迅速增加,因此应始终以电流模式驱动设备,而不是电压驱动。实现电流驱动的最简单方法是提供一个串联限流电阻,如图4所示,这样,VAPP和VF之间的差异将在所需的IF处通过电阻降低,这是由其他标准确定的。

所示的硅二极管与LED反向平行安装。该二极管用于保护LED的反向击穿,并且是实现这种保护的最简单方法。必须保护LED免受反向雪崩区域的过大功率消耗。少量的反向电流不会损坏LED,但必须防止意外的电流浪涌。

LED的正向电压具有1.05 mV /°C的负温度系数,其变化如图5所示。
交流电源监控
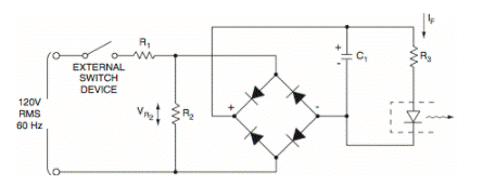
在某些情况下,可能有必要从120 VRMS,60 Hz或400 Hz的电源驱动LED。由于LED的响应时间为十亿分之一秒,因此它将忠实地遵循AC偏移,在输入的每个零交叉处打开和关闭。如果希望从光耦合器检测器获得恒定输出,如交流至逻辑耦合,则必须对LED的输入进行整流和滤波的电路

图6说明了一种简单的滤波方案,用于将DC电流传递到LED。在某些情况下,可以将滤波器设计到光耦合器的检测器侧,从而允许LED以线频脉冲。在图6的电路中,选择C1的值可将IF的变化减小到检测器部分可检测到的电流以下的半个周期以下。这种情况通常意味着检测器处于饱和状态,因此不会感测到IF的微小变化。调整R1,R2和R3的值以优化滤波功能,R3C1时间常数等。
逻辑至逻辑接口
在使用光耦合器的逻辑至逻辑耦合中,可以使用简单的晶体管驱动电路,如图7所示。在常关状态下,仅当晶体管处于饱和状态时,LED才通电。给出了用于计算串联限流电阻器值的设计方程式。晶体管关闭时,只有很小的集电极泄漏电流将流过LED。

如果可以在光耦合器检测器中检测到这种小泄漏,则可以通过添加一个与R1并联的与LED并联的电阻来绕过LED绕过泄漏。计算得出的R1值可能很大,以使泄漏电流发展到小于图5的阈值VF(〜0.8伏)。驱动晶体管可以是TTL或DTL集成电路的正常输出电流吸收器,它将吸收16%的电流。标称值为0.2 V的mA,饱和电流高达50 mA。

如果逻辑电路无法吸收必要的IF,则可以使用辅助驱动晶体管来提高电流容量。图8的电路显示了如何将PNP晶体管作为发射极跟随器或公共集电极连接以获得电流增益。当门(G1)的输出为低电平时,Q1导通,电流流过LED。R1的计算现在必须包括基极-发射极的正向偏置电压降VBE,如图所示。
LED电流分流技术
在某些情况下,不希望所有输入电流都流过LED。实现此目的的一种方法是提供一个如图9所示的用于阈值调节的旁路电阻。在完全打开和关闭输入电流的情况下,这种方法是令人满意的,但是如果电流的信息只是在恒定DC水平上的微小变化,则旁路电阻器还会绕过LED周围的大部分所需信号。

可以使用两种方法以很少的衰减来检索信号。如果信号具有快速变化(例如,电话线上的音频信号),则可以通过反馈电路消除检测器中的DC分量。如果变化缓慢,则可以使用动态分流器代替固定电阻器。

如果将恒定电流设备或电路与LED并联使用,如图10所示,则DC的调整分量将流过动态阻抗,并且任何电流变化都将导致端子电压的变化。因此,总电流变化将流过并联的LED电路。图18的曲线图显示了此特定电路的性能,调整后以IL = 120mA为中心,电路节点电压为3.4伏。在所示电路中,为方便起见,使用了CNY17-1和CNY17-4的检测器部分。注意,在图18中,大多数电流变化以IF的形式出现。分流器的直流电阻(RD)与动态阻抗(Rd)之比为50,它表示通过固定电阻器实现的信号传输增益。
免责声明:
文章内容转自互联网,不代表本站赞同其观点;
如涉及内容、图片、版权等问题,请联系2644303206@qq.com我们将在第一时间删除内容!